ventas@elumiled.com
  • Ingresar
0
  • Ingresa Para ver Precios
Categorias
Plaquetas y Acc. Montaje
  • Cajas Plasticas
  • Plasticos Varios
  • Pasachasis
  • Patitas
  • Plaquetas y PCB
  • Separadores
  • Separadores Fast-on
  • Silicone Pads, Micas & Niples
  • Trabas Para Cable Plano
  • Termocontraibles Sin Pegamento
  • Termocontraible Autosoldable
  • Spaguetti - Aislante Termico Cables
  • Spaguetti Fibra de Vidrio
  • Cintas Helicoidales
  • Corrugados Abiertos
  • Bases Para Precintos
  • Cintas
  • Precintos De Nylon
Aerosoles & Electroquimica
  • Aerosoles
  • Grasa Siliconada
  • Miscelaneos
AudioCar
  • Parlantes y Tweeters
  • Fusibles y Portafusibles
  • Cables y Conectores
Buzzers
  • Buzzers Con Oscilador
  • Buzzers Sin Oscilador
Cables
  • Cables
    • Unipolares
    • Bipolares
    • Coaxiles
  • Cables Alterna
    • Interlocks
    • Monoblocks
  • Cables Audio, Tv & Video
    • Cables Audio, Tv & Video
  • Cables USB
    • Cables USB
  • Cables Planos
    • Cables Planos De Colores
    • Cables Planos Gris
  • Spaguettis
    • Spaguetti Siliconado
  • Termocontraibles
    • Termocontraibles Sin Pegamento
    • Termocontraible Autosoldable
  • Fundas / Corrugados / Heli
    • Cintas Helicoidales
    • Corrugados Abiertos
Capacitores
  • Capacitores Ceramicos
    • Ceramicos Disco 1000v & 2000v
    • Ceramicos Disco 25v & 50v
    • Ceramicos Disco 500v
    • Ceramicos Multicapa
  • Capacitores Electroliticos
    • Electroliticos Alta Tension (105°c)
    • Electroliticos Alta Tension (85°c)
    • Electroliticos Axiales
    • Electroliticos Bipolares
    • Electroliticos Blindados 85°c
    • Electroliticos Blindados 105°c
    • Electroliticos De Tantalio
    • Electroliticos Mini Encintados 85°
    • Electroliticos Miniatura
    • Electroliticos Radiales (105°c)
    • Electroliticos Radiales (85°c)
  • Capacitores Poliester
    • Poliester Metalizado - JB>
    • Poliester Metalizado
    • Poliester Mylar 100v
  • Capacitores Polipropileno
    • Polipropileno Met. Alta Tension
    • Polipropileno Metalizado Alterna
  • Capacitores SMD
    • Chip Capacitors Smd (0603)
    • Chip Capacitors Smd (0805)
    • Chip Capacitors Smd (1206)
    • Capacitores Electroliticos Tantalio SMD
    • Electroliticos Radiales smd 85°c
  • Capacitores Variables / Trimmers
  • Capacitores Variables / Trimmers SMD
  • Capacitores Para Microondas
  • Capacitores Motor
    • Poliprop.. Met AC CBB61
    • Capcitores Motor AC CBB60
    • Capcitores Motor AC CBB65
Choques De Radio Frequencia
  • Choques Axiales
  • Choques Radiales
  • Choques Varios
  • Supresores Emc / Filtro Linea Ac
Circuitos Integrados
  • C.i. Adc/ An/ Ba/ Ca/ Cm/ Dac
  • C.i. Cmos 74hc / 74hct
  • C.i. Cmos Linea 4000
  • C.i. Ha/ Ht/ Ir/ Icl/ Icm
  • C.i. Ka/ Kia/ La/ Lf
  • C.i. Lm / Ls
  • C.i. Max / Mc / Ne / Op / Rc
  • C.i. Memorias
  • C.i. Microcontroladores
  • C.i. Reguladores De Tension Fijos
  • C.i. Sg/ Slb / Sn / Stk/ Str
  • C.i. Ta / Tca / Tda
  • C.i. Tea / Tl / Ts
  • C.i. Uc / Ugn / Uln / Um
  • Circuitos Integrados (SMD) Varios
  • Zocalos Para C.i.
Conectores y Borneras
  • Borneras
    • Borneras 12 Polos
    • Borneras Apilables
    • Borneras Enchufables
    • Empalmes y Derivadores
  • Conectores
    • Housing Paso 2.54 (HU)
    • Housing Paso 3.96 (PHU)
    • Housing Paso 3.96 HC (PHU396A)
    • Housing Paso 5.08 (PHU508)
    • Housing Paso 2.50 (HU250)
    • Macho PCB Paso 2.54 90° (WF_R)
    • Macho PCB Paso 2.54 Recto (WF_S)
    • Macho PCB Paso 3.96 Recto HC (PW396A_S)
    • Macho PCB Paso 3.96 90° HC (PW396A_R)
    • Macho PCB Paso 3.96 Recto (PW_S)
    • Macho PCB Paso 3.96 90° (PW_R)
    • Macho PCB Paso 5.08 Recto (PW508_S)
    • Macho PCB Paso 5.08 90° (PW508_R)
    • Macho PCB Paso 2mm Recto (WF200_S)
    • Macho PCB Paso 2.50mm Recto (WF250_S)
    • Macho PCB Paso 2.50mm 90° (WF250_R)
    • Housing Hembra Cable Paso 4.2 (MFH)
    • Housing Macho Cable Paso 4.2 (MFW)
    • Macho PCB Paso 4.2 90° (MFW_R)
    • Macho PCB Paso 4.2 Recto (MFW_S)
    • Conectores Usb
    • Idc Hembra Para Cable Plano
    • Idc Macho Para Cable Plano
    • Linea Sub-d (db)
    • Linea Sub-d (db) high Density
    • Macho Para Idc P/c.i. 90°
    • Macho Para Idc P/c.i. Recto
    • Macho Para Idc P/c.i. Trabas 90°
    • Macho Para Idc P/c.i. Trabas Recto
    • Tiras De Pines & Jumpers
  • Conectores Fichas
    • Banana & Borneras
    • Conectores Uso Automotor
    • Conectores Uso En Soldadoras
    • Fichas & Cables P/ C. Continua (dc)
    • Conectores Bnc
    • Conectores VHF - UHF
    • Conectores m12
    • Conectores Canon
    • Din y Mini Din
    • Conectores Rca
    • Conectores Rca -taiwan-
    • Adaptadores Para Audio
    • Jacks Para Audio
    • Jacks Para Audio -taiwan-
    • Pinzas Cocodrilo
    • Plugs Para Audio
    • Plugs Para Audio -taiwan-
    • Speakon
    • Conectores De Microfono
  • Conectores Para Alterna
    • Conectores Combinados
    • Plugs & Jacks Para Alterna
  • Pines & Terminales
    • Pines
    • Tiras De Pines & Jumpers
    • Terminales Laton
  • Terminales Preaislados
    • Terminales Pala Preaislados
    • Terminales Ojal Preaislados
    • Terminales Horquilla Preaislados
    • Terminales Redondo Uniones Preaislados
    • Terminales Puntera TIF Preaislados
    • Terminales Pin Preaislados
Cristales & Resonadores
  • Cristales Piezoelectricos
  • Resonadores Ceramicos
  • Resonadores Saw
Descargadores Gaseosos
  • Descargadores Gaseosos
Diodos
  • Diodos (SMD) Varios
  • Diodos Alternador
  • Diodos De Rosca (zl)
  • Diodos Rectificadores
  • Diodos Suppressors
  • Diodos Zener 1 Watt
  • Diodos Zener 1/2 Watt
  • Diodos Zener 5 Watts
  • Fast, Ultra & Super Fast Recovery
  • Puentes Para Soldadoras
  • Puentes Rectificadores
  • Semi-packs
  • Switching & Schottky
Disipadores
  • Disipadores
  • Disipadores -perfiles-
  • Silicone Pads, Micas & Niples
Displays
  • Displays LED
  • Displays 0.36
  • Displays 0.39
  • Displays 0.50
  • Displays 0.56
  • Displays 0.80
  • Displays 1.00
  • Displays 1.02
  • Displays 1.20
  • Displays 1.80
  • Displays 4.00
  • Displays De Barras De Leds
  • Matrices De Puntos 0.70
  • Matrices De Puntos 1.20
  • Matrices De Puntos 2.00
  • Displays LCD
  • Displays Lcd 3 1/2 Digitos
  • Displays Lcd De Caracteres
  • Displays Lcd Graficos
Encoders
  • Encoders
Estaño
  • Accesorios Para Soldadura
  • Estaño 100g y Tubo
  • Estaño En Rollos De 1/4 Kg
  • Estaño En Rollos De 1/2 Kg
  • Estaño En Rollos De 1 Kg
Filtros De Linea
  • Filtros De Linea
Fuentes Switching
  • Driver Corriente Constante
  • Driver Corriente Constante (in)
  • Driver Tension Constante Ip67
  • Fuentes Dimmerizables
  • Fuentes Switching Adaptador
  • USB
Fusibles & Portafusibles
  • Clips Portafusibles
  • Fusibles De Vidrio 20mm X 5mm
  • Fusibles De Vidrio 31mm X 6mm
  • FUSIBLES Ceramicos 20mm x 5mm
  • FUSIBLES Ceramicos 30mm x 6mm
  • FUSIBLES Ceramicos 38mm x 10mm
  • FUSIBLES Ceramicos 31mm x 8.5mm
  • Fusibles Alta Tension Microondas
  • Fusibles Automotor
  • Fusibles Radiales C/terminales
  • Portafusibles
Fusibles Termicos
  • Fusibles Termicos Axiales
  • Fusibles Termicos Radiales
Herramientas
  • Herramientas Varias
    • Pinzas Crimpeadoras
    • Herramientas Varias
    • Pinzas Varias
    • Multimetros
    • Microscopios Digitales
    • Voltimetros
  • Herramientas Xuron
    • Alicates micro-pneumatic
    • Alicates Serie 170-ii Micro-shear
    • Alicates Serie 9000 Micro-shear
    • Alicates Serie lx Micro-shear
    • Alicates Serie maxi-shear
    • Alicates Serie short-cut
    • Pelacables wire Strippers
    • Pinzas Serie tweezer Nose
    • Preformadoras xuro-former
    • Tijeras mini-shear & Fiber-shear
  • Soldadores & Desoldadores
    • Desoldadores
    • Estaciones De Soldado
    • Mallas Desoldantes
    • Puntas Para Desoldadores
    • Calefactores y Puntas
    • Repuestos Para Estaciones
    • Soldadores
    • Soportes & Limpiadores
  • Exso
    • Soldadores Exso
    • Soldadores Exso
    • Estaciones de Soldado Exso
    • Desoldadores y Mallas Exso
Lamparas
  • Lamparas De Neon
  • Lamparas De Xenon
  • Lamparas Incandescentes
LEDs
  • Leds 10mm
    • Leds 10mm Cristalinos Alto Brillo
    • Leds 10mm Difusos Standard
    • Leds 10mm W. Clear Alto Brillo
    • Leds 10mm Water Clear
  • Leds 3mm
    • Leds 3mm Cristalinos Alto Brillo
    • Leds 3mm Difusos Hiper Brillo
    • Leds 3mm Difusos Standard
    • Leds 3mm W. Clear Alto Brillo
    • Leds 3mm Water Clear
  • Leds 5mm
    • Leds 5mm Cristalinos Alto Brillo
    • Leds 5mm Difusos Hiper Brillo
    • Leds 5mm Difusos Standard
    • Leds 5mm W. Clear Hiper Brillo
    • Leds 5mm Water Clear
  • Leds 8mm
    • Leds 8mm W. Clear Alto Brillo
  • Leds Accesorios
    • Portaleds
    • Reflectores P/leds
  • Leds Alta Potencia
    • Leds Alta Potencia 5~200 Watts
    • Leds CHIP 1, 3 y 5 Watts
    • Leds Star 1 Watt
    • Leds Star 3 Watts
    • Leds Star 5 Watts
    • Lentes Con Holder 20mm
  • Leds Bombin
    • Leds Bombin 4.8mm
    • Leds Bombin 8mm
  • Leds Flat
    • Leds Flat 5mm
  • Leds Infrarojos
    • Emisores & Receptores Infrarojos
  • Leds Oval
    • Leds Oval 5.1 x 4.3mm
  • Leds Piraña
    • Leds Piraña 3mm
    • Leds Piraña 5mm
  • Leds Smd
    • Leds (SMD) 0805 y 1205
    • Leds (SMD) 1210 Side View 90
    • Leds (SMD) 3528 y 2835 PLCC-2
    • Leds (SMD) 5050, 5730 y 3014 PLCC-2
    • Leds (SMD) Batwings
    • Leds (SMD) Water Clear
  • Leds Varios
    • Big Leds Lamps Difusos 20mm
    • Leds Bicolores
    • Leds Cuadrados 5x5mm
    • Leds Intermitentes
    • Leds Rectangulares 2x4mm
    • Leds Rectangulares 2x5mm
    • Leds Varios
Llaves, Teclas y Pulsadores
  • Dip Switchs
    • Dip Switchs "smd"
    • Dip Switchs Perfil Bajo
    • Dip Switchs Piano
    • Dip Switchs Rotativos
    • Dip Switchs Standard
  • Llaves
    • Foot Switch
    • Llaves Corredera
    • Llaves Key-lock
    • Llaves Palanca
    • Llaves Push Switchs
    • Llaves Tecla Redondas
    • Llaves Tecla Rectangulares
    • Llaves Tecla 12v
    • Llaves Tecla -taiwan-
  • Llaves Ampolla
    • Reed Switchs
    • Switch De Mercurio
  • Micro Switchs
    • Micro Switchs
  • Pulsadores
    • Pulsadores Cuadrados
    • Pulsadores Mignon
    • Pulsadores Redondos
    • Pulsadores Arcade
    • Pulsadores Varios
  • Tact Switchs
    • Tact Switchs 12x12mm
    • Tact Switchs 2 Patas
    • Tact Switchs 6x6mm
Microfonos
  • Micrifonos Dinamicos
  • Microfonos Electret
Modulos Rf, Gps & Gprs
  • Modulos Rf
Motores
  • Motres C.c.
Ojos De Buey
  • Ojos De Buey
  • Ojos De Buey Led
Optoacopladores
  • Optoacopladores
  • Optoacopladores Ranurados
Parlantes & Accesorios / Sirenas
  • Esquineros & Otros
  • Parlantes Alnico & Ferrite
  • Rejas Para Parlantes
  • Tweeters
  • Bocinas Para Drivers
  • Sirenas Piezoelectricas
Pilas & Baterias De Pilas
  • Baterias -alcalinas
  • Pilas Boton -alcalinas
  • Pilas Moneda -litio
  • Portapilas
Polyswitchs
  • Polyswitchs
Potenciometros/Preset/Trimpots
  • Perillas para Potenciometros
    • Perillas Eje 4mm
    • Perillas Eje 6mm
    • Perillas Eje 6mm Base y Tapa de Color
    • Perillas Eje 6mm Base Tapa de Color
    • Perillas Para Pote Deslizable
  • Potenciometros De Carbon
    • Deslizables 60mm Low Profile Mo
    • Deslizables 60mm Low Profile St
    • Deslizables 60mm Standard Mono
    • Deslizables 60mm Standard Stereo
    • Potenciometros (16mm) Lineales C/llave
    • Potenciometros (16mm) Logaritmicos C/llave
    • Potenciometros (16mm) Mignon Lineales
    • Potenciometros (16mm) Mignon Logaritmicos
    • Potenciometros (16mm) Mignon Varios
    • Potenciometros (24mm) Lineales
    • Potenciometros (24mm) Lineales C/llave
    • Potenciometros (24mm) Logaritmico C/llave
    • Potenciometros (24mm) Logaritmicos
    • Potenciometros Varios
  • Potenciometros De Cermet
    • Diales
    • Potenciometros Cermet 1 Vuelta (300°)
    • Potenciometros Cermet 10 Vtas. Eje Metalico
    • Potenciometros Cermet 10 Vtas. Eje Plastico
    • Potenciometros Cermet 10 Vtas. Hi-torque
  • Presets De Carbon
    • Preset Miniatura Horizontal 5mm
    • Preset Miniatura Vertical 5mm
    • Preset Normal Vertical 10mm
  • Trimpots
    • Accesorios Para Trimpots
    • Trimpot Carbon Mini Horizontal
    • Trimpot Carbon Mini Vertical
    • Bourns 3386P 1 Vta Horizontal
    • Bourns 3386C 1 Vta Vertical
    • Bourns 3009P 15 Vtas Horizontal
    • Bourns 3296W 25 Vtas Vertical
    • 3386U 1 Vta Horizontal
    • 3006P 15 Vtas Horizontal
    • 3296W 25 Vtas Vertical
Protectores
  • Protectores De Circuito
  • Protectores Termicos
  • Protectores Termicos N.a.
Reles
  • Reed Reles
  • Reles
  • Reles Tipo Industrial
  • Zocalos Para Reles
  • Reles De Estado Solido Monofasicos
  • Reles De Estado Solido Trifasicos
Resistores
  • Alambre 3 Watts 5%
  • Alambre Cementada 5 Watts 5%
  • Alambre Cementada 7 Watts 5%
  • Alambre Cementada 10 Watts 5%
  • Alambre Cementada 15 Watts 5%
  • RX24 50W Aluminio
  • Carbon Film 1 Watt 5%
  • Carbon Film 1/2 Watt 5%
  • Carbon Film 1/4 Watt 5%
  • Carbon Film 1/4 Watt 5% Miniatura
  • Carbon Film 2 Watts 5%
  • Resistencias SMD 0603 1/10w
  • Resistencias SMD 0805 1/8w
  • Resistencias SMD 0805 1% 1/8w
  • Resistencias SMD 1206 1/4w
  • Jumper Wire (puente)
  • Metal Film 0,40 Watt 1%
  • Metal Film 1 Watt 5%
  • Metal Film 1/2 Watt 5%
  • Metal Film 2 Watts 5%
  • Metal Film 3 Watts 5%
  • Redes Resistivas (array)
  • Resistores (SMD) Capsula (1206) 1%
Sensores
  • Fotoresistores (ldr)
  • Piroelectricos & Lentes
  • Sensores De Presion
  • Transductores Ultrasonicos
SMD
  • Capacitores SMD
  • Chip Capacitors Smd (0805)
  • Chip Capacitors Smd (1206)
  • Electroliticos Tantalio SMD
  • Electroliticos smd 85°c
  • Resistencias SMD
  • Chip Resistors (SMD) (0603) 1/10w
  • Chip Resistors (SMD) (0805) 1/8w
  • Chip Resistors (SMD) (1206) 1/4w
  • Chip Resistors (SMD) (1206) 1%
  • Semiconductores SMD
  • Integrados (SMD) Varios
  • Transistores (SMD) Varios
  • Diodos (SMD) Varios
  • LEDS SMD
  • Leds (SMD) 0805 & 1210 Hiper Brillo
  • Leds (SMD) 1210 Side View 90°
  • Leds (SMD) 3528
  • Leds (SMD) 5050
  • Leds (SMD) Batwings
  • Leds (SMD) Water Clear
  • Dip Switchs SMD
  • Dip Switchs "smd"
Telefonia & Redes
  • Cables Armados
  • Cables En Rollos
  • Cables Espiralados
  • Jacks & Plugs Telefonia y Redes
  • Rosetas Y Accesorios
Television & Video
  • Amplificadores & Moduladores
  • Balums & Antenas Interior
  • Conectores Tv & Video
  • Derivadores De Television
Tiristores
  • Puentes De Tiristores
  • Tiristores
  • Tiristores De Rosca (zl)
Transistores
  • Trans. Igbt
  • Trans. Linea 2n....
  • Trans. Linea 2s....
  • Trans. Linea Bc....
  • Trans. Linea Bd....
  • Trans. Linea Bu....
  • Trans. Linea Mpsa....
  • Trans. Linea Tip....
  • Trans. Lineas Mj.... / Mje....
  • Trans. Mosfet
  • Trans. Radio Frecuencia
  • Transistores (SMD) Varios
Triacs, Diacs & Sidacs
  • Diacs
  • Triacs
  • Triacs Aislados
Varistores
  • Varistores 10mm
  • Varistores 14mm
  • Varistores 20mm
  • Varistores 7mm
Ventiladores
  • Rejas Metalicas
  • Rejas Plasticas Con Filtro
  • Turbinas Cross Flow 220vac
  • Turbinas De 110vac & 220vac
  • TURBINAS KISOJIMAT 220VAC
  • Turbinas De 12v & 24v

Reles > Reles

Consultar
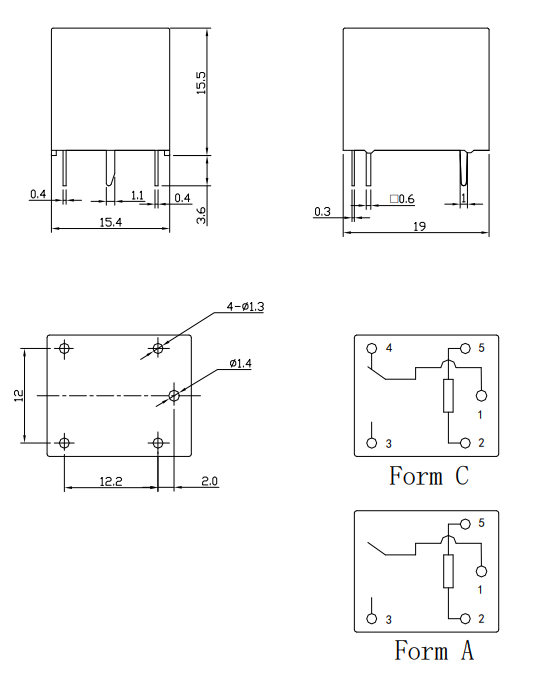
ITEM: HJR21FF-6V

(HJR21FF-6V) Rele Bobina 6V 12A 240V 100ohms 1 Inversor (simple inversor) HJR-21FF-S-ZH

Ingresa con tu cuenta para ver precios y hacer presupuestos

  • Descripcion
(HJR21FF-6V) Rele Bobina 6V 12A 240V 100ohms 1 Inversor (simple inversor) HJR-21FF-S-ZH
HJR21FF-6V


componentes electronicos,

**Los precios NO incluyen IVA
Los mismos pueden cambiar sin previo aviso.

Contactenos via Email

ventas@elumiled.com
Villa Pueyrredon, Capital Federal, Argentina
Envios a todo el Pais

Principales

  • Capacitores
  • Leds Alta potencia
  • Resistencias
  • Integrados
  • Reguladores
  • Potenciometros
  • Ventiladores

Informacion

  • Envios
  • Retiro en Persona
  • Contacto

Elumiled